| 磁平衡式霍尔电压传感器HEC-F8系列 | ||||||||||||||||||||||||||||||||||||||||||||||||||
| 发布时间:2012/7/24 | 点击次数:1290 | ||||||||||||||||||||||||||||||||||||||||||||||||||
| |
||||||||||||||||||||||||||||||||||||||||||||||||||
电器特性:
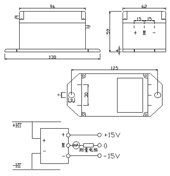
外形结构及安装图: 接线方法: 当原边电压按传感器标示 +、- 连接时,在输出端获得正向电流。
闭环(补偿)型霍尔电压传感器,用于测量直流、交流及脉冲电压,具有良好的线性度及精度,低漂移,响应时间快、频带宽,原、副边之间高度绝缘。外壳符合UL94-V0标准。 |
||||||||||||||||||||||||||||||||||||||||||||||||||
|
||||||||||||||||||||||||||||||||||||||||||||||||||
|
上一篇: 霍尔电流传感器HEC-F6系列 下一篇: HEC-A7系列 |
||||||||||||||||||||||||||||||||||||||||||||||||||


