| 霍尔电流传感器HEC-F6系列 | ||||||||||||||||||||||||||||||||||||||||||||||||||||||||||||||||||||||||||||||||
| 发布时间:2012/7/25 | 点击次数:1460 | ||||||||||||||||||||||||||||||||||||||||||||||||||||||||||||||||||||||||||||||||
| |
||||||||||||||||||||||||||||||||||||||||||||||||||||||||||||||||||||||||||||||||
电器特性:
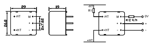
外形结构及安装图:
闭环(补偿)型霍尔电压传感器,用于测量直流、交流及脉冲电压,具有良好的线性度及精度,外壳符合UL94-V0标准。 应用领域: 交流变频调速、伺服电机、直流电机、电源装置、开关电源、UPS电源、电焊机 |
||||||||||||||||||||||||||||||||||||||||||||||||||||||||||||||||||||||||||||||||
|
||||||||||||||||||||||||||||||||||||||||||||||||||||||||||||||||||||||||||||||||
|
上一篇: HEC-F3系列(三相)电压传感器 下一篇: 磁平衡式霍尔电压传感器HEC-F8系列 |
||||||||||||||||||||||||||||||||||||||||||||||||||||||||||||||||||||||||||||||||


