| HEC-B1系列 | ||||||||||||||||||||||||||||||||||||||||||||||||||||||||||||||||||||||||||||||||||||||||||||||||||||||||||||||||
| 发布时间:2012/4/23 | 点击次数:2428 | ||||||||||||||||||||||||||||||||||||||||||||||||||||||||||||||||||||||||||||||||||||||||||||||||||||||||||||||||
| |
||||||||||||||||||||||||||||||||||||||||||||||||||||||||||||||||||||||||||||||||||||||||||||||||||||||||||||||||
|
电器特性:
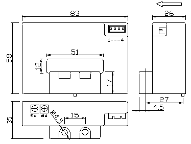
外形结构及安装图: 接线方法:
应用特性: 用于测量直流、交流及脉冲电流,原、副边之间高度绝缘。外壳符合UL94-V0标准。母排安装或盘式安装均可。体积小、重量轻、耗电省,穿孔结构,无插入损耗。 应用领域: 变频器、电源装置、通信电源、UPS电源、电焊机 |
||||||||||||||||||||||||||||||||||||||||||||||||||||||||||||||||||||||||||||||||||||||||||||||||||||||||||||||||
|
||||||||||||||||||||||||||||||||||||||||||||||||||||||||||||||||||||||||||||||||||||||||||||||||||||||||||||||||
|
上一篇: HEC-A1系列 下一篇: HEC-B2系列 |
||||||||||||||||||||||||||||||||||||||||||||||||||||||||||||||||||||||||||||||||||||||||||||||||||||||||||||||||


