| HEC-F8 Series | ||||||||||||||||||||||||||||||||||||||||||||||||||
| Publish Time:2012/7/25 | Click:1107 | ||||||||||||||||||||||||||||||||||||||||||||||||||
| |
||||||||||||||||||||||||||||||||||||||||||||||||||
|
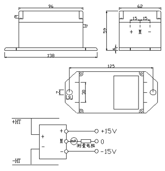
Electrical characteristics :
|
||||||||||||||||||||||||||||||||||||||||||||||||||
|
||||||||||||||||||||||||||||||||||||||||||||||||||
|
Prev: HEC-F6 Series Magnetic balance voltage sensor Next: Hall Effect Current Sensor HEC –C22 |
||||||||||||||||||||||||||||||||||||||||||||||||||

